寶蒂塑料--專業制造 塑料閥門系列、塑料管道系列
材質配件表
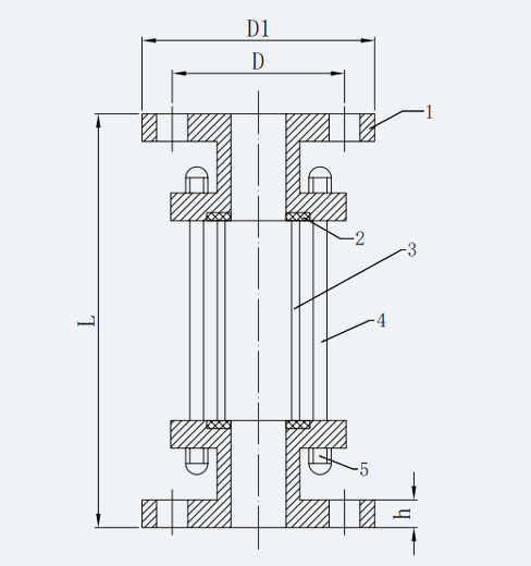
編號No. |
零部件 |
材料 |
1 |
視鏡法蘭 |
FRPP,PPH,UPVC,CPVC,PVDF |
2 |
管密封 |
EPDM,FPM,PTFE |
3 |
視鏡玻璃 |
玻璃 |
4 |
螺栓 |
鋼,不銹鋼 |
5 |
螺母 |
鋼,不銹鋼 |
產品尺寸表(mm)
DN |
D1 |
D |
L |
h |
n |
φ |
工作壓力(Mpa) |
||||||
DIN |
JIS |
ANSI |
HG/DIN |
JIS |
ANSI |
HG/DIN |
JIS |
ANSI |
|||||
25 |
115 |
85 |
90 |
79 |
235 |
16 |
4 |
4 |
4 |
14 |
15 |
16 |
0.6 |
32 |
135 |
100 |
100 |
89 |
235 |
16 |
4 |
4 |
4 |
18 |
19 |
16 |
0.6 |
40 |
145 |
110 |
105 |
98 |
235 |
16 |
4 |
4 |
4 |
18 |
19 |
16 |
0.6 |
50 |
160 |
125 |
120 |
121 |
235 |
16 |
4 |
4 |
4 |
18 |
19 |
19 |
0.6 |
65 |
180 |
145 |
140 |
140 |
235 |
18 |
4 |
4 |
4 |
18 |
19 |
19 |
0.6 |
80 |
195 |
160 |
150 |
152 |
235 |
18 |
8 |
8 |
4* |
18 |
19 |
19 |
0.6 |
?100 |
215 |
180 |
175 |
190 |
235 |
20 |
8 |
8 |
8 |
18 |
19 |
19 |
0.6 |
?125 |
245 |
210 |
210 |
216 |
315 |
20 |
8 |
8 |
8 |
18 |
19 |
22 |
0.3 |
?150 |
280 |
240 |
240 |
241 |
370 |
20 |
8 |
8 |
8 |
22 |
23 |
22 |
0.3 |
?200 |
340 |
295 |
290 |
298 |
385 |
25 |
8 |
12* |
8 |
22 |
23 |
22 |
0.3 |
?250 |
405 |
350 |
355 |
362 |
420 |
28 |
12 |
12 |
12 |
22 |
25 |
26 |
0.3 |